Timing belt alignment problem...
Ok, I've built this B18A1 with crank, sleeves, pistons rods, adjustable cam gears etc. Whole nine yards. Started it up for a test this evening but it seems to have a timing belt issue.
The timing belt moves toward the head about 1/4" off the timing pulleys. I've built more than a couple of engines and I've never seen anything like this. Does anyone have any suggestions?
-Michael
The timing belt moves toward the head about 1/4" off the timing pulleys. I've built more than a couple of engines and I've never seen anything like this. Does anyone have any suggestions?
-Michael
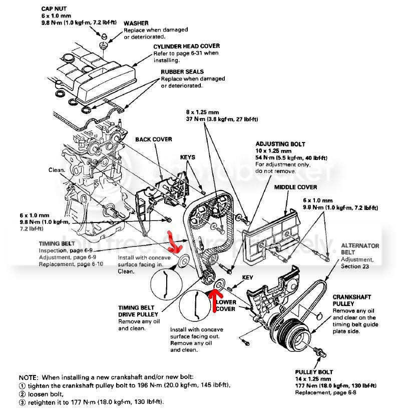
Hrm. I'll double check that. I remember looking at the diagram and seeing only one little spring washer type affair in the shop manual. Is one supposed to go on the crank side? I don't remember these being larger than the pulley itself.
-Michael
-Michael
Ho Hum...
Looks like I'll be taking a few things off an engine on Monday. Thanks shorto85. I looked up the diagram and the one I was looking at just didn't show the inside part. Lazy honda technical writers.
-Michael
Looks like I'll be taking a few things off an engine on Monday. Thanks shorto85. I looked up the diagram and the one I was looking at just didn't show the inside part. Lazy honda technical writers.
-Michael
Trending Topics
<TABLE WIDTH="90%" CELLSPACING=0 CELLPADDING=0 ALIGN=CENTER><TR><TD>Quote, originally posted by hackish »</TD></TR><TR><TD CLASS="quote">... the one I was looking at just didn't show the inside part...</TD></TR></TABLE>If you were looking at a 1996+ drawing, the OBD-2 engines don't have the inner one. The crank sprocket has an extra flange that triggers the CKF sensor, & also makes the inner washer unnecessary.
Thread
Thread Starter
Forum
Replies
Last Post
aznflipboi08
Honda Civic / Del Sol (1992 - 2000)
1
Dec 27, 2009 11:24 PM
hitvtecgetloud09
Honda Civic / Del Sol (1992 - 2000)
3
Mar 21, 2004 05:27 PM



