HELP!! stripped bolt!!
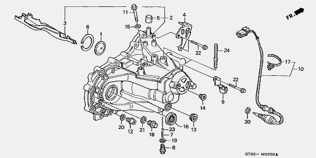
you can just replace the stud, or see if you can go over it with a rethreader or tap/dye kit and see if you can get the threads good again. i believe its 12 x 1.25 thread.
if all else fails, retap the hole a little bit bigger, and put a heli-coil in it with some lock tite. (That's worst case, try the other ideas first). Make sure when you do that though that the thred pitch is the same.
I'd replace, its cheap.
An idea for getting it out
1. Heat up the tranny thread area with torch, its aluminum and should expand easily/faster than the stud. Try using vice-grip pliers to take the stud out of the tranny.
Or if there is any decent thread left at the top of that stud, i've taken 2 nuts back to back and locked them together, then use the bottom one to try to back the stud out.
good luck
An idea for getting it out
1. Heat up the tranny thread area with torch, its aluminum and should expand easily/faster than the stud. Try using vice-grip pliers to take the stud out of the tranny.
Or if there is any decent thread left at the top of that stud, i've taken 2 nuts back to back and locked them together, then use the bottom one to try to back the stud out.
good luck
Thread Starter
Junior Member
Joined: Jul 2008
Posts: 80
Likes: 0
From: Where thieves get shot, killaCALI
the biggest problem for me is removing the bolt. i might try what efbomb suggested but id like to hear some more advice. my motor is already in the chassis so putting a vice grip on that bolt is kinda hard. u can do it but when u need the leverage to turn the dam thing ur arms in an awkward position. any more advice will be kindly appreciated !
Trending Topics
Thread Starter
Junior Member
Joined: Jul 2008
Posts: 80
Likes: 0
From: Where thieves get shot, killaCALI
im pretty sure im not making 350 hp. is a stock gsr short block with a b16 head all stock. are you sure im ok without it? seems abit dangerous to me
PM'd you back.
One of our crew has a 95 Teg with 325whp and he has the same stud issue, he runs the car with slicks and hasn't had a issues. Just make sure all the other mounts are good.
Do you have the manual yet?
http://hondatech.info/downloads/Auto/Manuals/
Modified by 1992Si at 9:50 PM 8/27/2008
One of our crew has a 95 Teg with 325whp and he has the same stud issue, he runs the car with slicks and hasn't had a issues. Just make sure all the other mounts are good.
Do you have the manual yet?
http://hondatech.info/downloads/Auto/Manuals/
Modified by 1992Si at 9:50 PM 8/27/2008
Go to your local tool shop and get a stud exstactor the retail for like $20 and up pop it on there and spin it out then replace it with a new one... very easy fix.
Yea, I didn't think of that. Got one laying around the house somewhere. I should put it in the tool box in the trailer.
Remember to spray it with PB Blaster first.
Remember to spray it with PB Blaster first.
<TABLE WIDTH="90%" CELLSPACING=0 CELLPADDING=0 ALIGN=CENTER><TR><TD>Quote, originally posted by 1992Si »</TD></TR><TR><TD CLASS="quote">Remember to spray it with PB Blaster first.</TD></TR></TABLE>
Do that if you're going to attempt to get it out, otherwise, there's two other bolts that hold that tranny mount on, and it should be okay.
Do that if you're going to attempt to get it out, otherwise, there's two other bolts that hold that tranny mount on, and it should be okay.
Thread
Thread Starter
Forum
Replies
Last Post
95_Civic_4dr
Transmission & Drivetrain
7
Sep 18, 2009 07:10 AM






