fuel pump
my fuel pump randomly shuts off while im driving
i just put a walbro 255 in it so the fuel pump is new
if anyone has any clue as to what is going on with it please feel free to give me your advice
i just put a walbro 255 in it so the fuel pump is new
if anyone has any clue as to what is going on with it please feel free to give me your advice
just driving and when i go to turn on my key i dont hear it coming on and you can hear it cuz one im gutted and two its a walbro 255
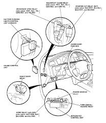
and where is the relay located
and where is the relay located
Thread
Thread Starter
Forum
Replies
Last Post
Chris del sol
Honda Civic / Del Sol (1992 - 2000)
8
Apr 16, 2013 10:42 PM
93FlatBlackHatch
Honda Civic / Del Sol (1992 - 2000)
2
Dec 30, 2006 03:22 PM




