Acura Integra All Integra Except ITR

Timing help!

Thread Tools
 
Search this Thread
 
Old Sep 16, 2015 | 03:21 PM
  #1  
george jung's Avatar
Thread Starter
Honda-Tech Member
 
Joined: Jul 2007
Posts: 38
Likes: 0
From: Central NJ
Default Timing help!

Hey Honda tech

I bought a 2000 acura integra gs with a broken timing belt and bent valves. I've replaced the valves in the head, now it's time to reassemble the head engine. I've got the crankshafts timing mark at tdc, and the head bolts torqued to spec. I've never done this job before but my reasoning is telling me when I install the camshafts I can install them with their timing marks pointing up where they should be and all will be well. I could be wrong which is why I am posting here, but tell me Honda Tech, is this a correct way to do it.

Thanks in advance,
Nick
Reply
Old Sep 18, 2015 | 01:53 AM
  #2  
niles.nemo's Avatar
Honda-Tech Member
 
Joined: Jan 2015
Posts: 26
Likes: 0
Default Re: Timing help!

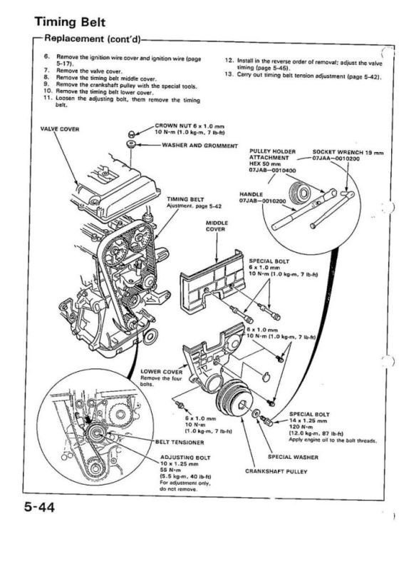
Once you get the crankshaft pulley to top dead center look On The backside of the cams there are two marks on each but both need to be horizontal with the top of the head where the valve cover gasket sets indicating top dead center on the cams
Once you have the timing belt back on and everything is Tdc turn the crank pulley counterclockwise until the timing belt is tight on the exhaust side of the motor then push up on the tensioner and tighten the bolt good luck hope this helps ✌️

Here's some pics from the motor manual












Last edited by niles.nemo; Sep 18, 2015 at 02:36 AM.
Reply
Related Topics
Thread
Thread Starter
Forum
Replies
Last Post
fastrat37
All Motor / Naturally Aspirated
5
Dec 24, 2012 03:49 PM
getdowndoyou
Honda CRX / EF Civic (1988 - 1991)
1
Mar 14, 2007 08:14 PM
G2_Fella
Honda Civic / Del Sol (1992 - 2000)
9
Nov 8, 2006 10:50 AM
Y2KCivicSiR
Honda Civic / Del Sol (1992 - 2000)
2
May 9, 2005 09:56 PM
NatedoggAZ
Honda Civic / Del Sol (1992 - 2000)
14
Apr 13, 2005 09:51 AM




All times are GMT -8. The time now is 08:41 PM.